您所在的位置   技术支持 》 位移传感器篇 》 光栅线位移传感器

 
光栅线位移传感器
  光栅线位移传感器主要应用于直线移动导轨机构,可实现移动量的精确显示(0.001mm)和自动控制,广泛应用于金属切削机床加工量的数字显示和CNC加工中心位置环的控制。该产品已形成系列,供不同规格的各类机床选用,量程从50毫米至30米,覆盖几乎全部金属切削机床的行程。可为用户提供3米以上有效量程。
订货型号注解:

  例如:SGC-2T-500-50
   2型,电压5V,TTL方波输出,有效量程500mm,50线对/mm

基本参数
主型号
SGC-2
SGC-4
SGC-4.1
SGC-5
SGC-6
SGC-7
输出信号
 T、H、D、L、M、S
T、S
T
有效量程
100-3000mm
50-1000mm
100-1500mm
50-500mm
>3000mm
零位参考点
 每50mm一个、每200mm一个、距离编码
栅距
 0.02mm(50线对/mm)、0.04mm(25线对/mm)
精度
 ±0.015mm、±0.01mm、±0.008mm、±0.004mm(20℃1000mm)
响应速度
 60m/min
工作温度
 0—40℃
存贮温度
 -20—70℃

电信号输出参数
输出形式
TTL信号(T)
HTL信号(H)
波形图
输出信号
A、B两路脉冲,相位差90o
VOH≥2.4V V0L≤0.4V
A、B两路脉冲,相位差90o
VOH≥10.4V V0L≤0.4V

电源电压

5V±5% 100mA
12V±5% 150mA(15V 24V)
最大电缆长度
20m
50m
反馈信号周期(t)
25线对/mm为40μm,50线对/mm为20μm
输出方式
电压输出
电压输出
插头
YC-18-7 七芯  9PD九芯 YC-18-7 七芯  9PD九芯
 
输出形式
差动TTL信号(D)(L)(M)
正弦波1Vpp(S)
波形图
输出信号
A、B两路脉冲,相位差90o,外加反相信号/A、/B,VOH≥2.5V V0L≤0.5V
A、B两路脉冲,相位差90o,外加反相信号/A、/B,幅值=1Vpp±20%

电源电压

5V±5% 150mA
5V±5% 100mA
最大电缆长度
50m
反馈信号周期(t)
25线对/mm为40μm,50线对/mm为20μm
输出方式
长线驱动输出
电压输出
插头
YC-18-9  九芯
YC-18-9 九芯  X20J9PJ九芯

信号电缆标准长度
有效量程
20-550mm
600-2000mm
2200-6000mm
出厂电缆标准长度
3m
5m
7m
备注
对电缆长度有特殊要求的用户、请在订货型号后注明。
 
输出信号接线表
YC-18-7七芯
插头号
1
2
3
4
5
6
7
颜色
绿
黄铜网
信号
0V
A
B
Vcc
Z
屏蔽

YC-18-9九芯、X20J9PJ
插头号
1
2
3
4
5
6
7
8
9
颜色
绿
黄铜网
信号(s)
00
1800
Vcc
0V
900
2700
Z
屏蔽

信号(D、L、M)

A
/B
Vcc
0V
/A
B
/Z
Z
屏蔽

9PD九芯
插头号
1
2
3
4
5
6
7
8
9
颜色
绿
   
信号
Vcc
0V
A
B
Z
屏蔽
屏蔽

驱动器与接收器区配表
差动TTL信号输出所用驱动器
代码
用户端接收器
75113
D
75115
AM26LS31
L
AM26LS32
MC3487
M
MC3486
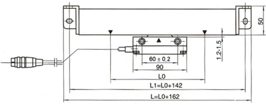
外形尺寸(mm)
 SGC-2型
 

 

 

 SGC-4型

 

 SGC-4.1型

 

 SGC-5型

 

 SGC-6型

 

 SGC-7型
返回上一页
  |  首   页  |  技术支持  |  文档下载  |  企业新闻  |  代理品牌  |  联络我们  |  
销售助理   销售助理 CopyRight 2005 NINETOWNS 沈阳光宇科技有限公司 All Right Reserved.
Please read our
www.31992640.com
电话:
024-31992640    传真:024-31992740   Email:xugy@tom.com
地址:
辽宁省沈阳市沈河区长青街45号306室     邮编:110015
网站备案号:辽ICP备11006204号-1

 
销售助理   销售助理