您所在的位置    技术支持 》 超越离合器篇 》 CKF型(非接触式)单向楔块超越离合器
返回上一页

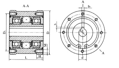
特征及应用 结构形式
CKF型为带轴承非接触式单向楔块超越离合器(逆止器),它是利用楔块的离心力及其外环之间的特殊几何关系 以实现“超越”传动。当内环转速达到310-420r/min时,楔块与内、外环滚道非接触、无磨损运转,反向逆止可靠 。适用于极限转速为:400-1500r/min,公称转矩为:400-25000N.m,常与减速机配套用于运输机械、提升机、冶金 机械、矿山机械、水泥机械、高温风机、电站设备等,一般用于中、高速传动。
CKF型单向楔块式超越离合器基本参数和主要尺寸

型 号

公称
转矩
Tn
(N.m)
螺钉
拧紧
力矩
N.m
最小
非接触
转速
r/min
最高转速
n r/min

外环

内环

质量
m
kg

D
( H8)

两端各螺纹孔数-
直径
X深

螺栓
分布
直径
D1


L
(js9)

内径
d
(E7)

键槽
b1xt1


L
(js9)

CKF165x125-25

400

10

480

1500

165

8-M8x20

145

125

25

8x3.3

125

20.51

CKF170x130-25

500

12

470

1500

170

8-M8x20

150

130

25-30

8x3.3

130

22.68

CKF170x130-30

500

12

470

1500

170

8-M8x20

150

130

25-30

8x3.3

130

22.46

CKF175x130-30

600

14

450

1500

175

8-M8x20

155

130

30-35

8x3.3

130

23.84

CKF175x130-35

600

14

450

1500

175

8-M10x20

155

130

30-35

8x3.3

130

23.58

CKF185x130-35

800

18

430

1500

185

8-M10x25

162

130

35-40

10x3.3

130

26.46

CKF185x130-40

800

18

430

1500

185

8-M10x25

162

130

35-40

10x3.3

130

24.16

CKF190x135-32

1000

22

420

1500

190

8-M10x25

168

135

32-50

10x3.3

135

28.13

CKF190x135-38

1000

22

420

1500

190

8-M10x25

168

135

32-50

10x3.3

135

27.79

CKF190x135-40

1000

22

420

1500

190

8-M10x25

168

135

32-50

10x3.3

135

27.67

CKF190x135-42

1000

22

420

1500

190

8-M10x25

168

135

32-50

10x3.3

135

27.54

CKF190x135-45

1000

22

420

1500

190

8-M10x25

168

135

32-50

10x3.3

135

27.33

CKF190x135-50

1000

22

420

1500

190

8-M10x25

168

135

32-50

10x3.3

135

26.59

CKF195x145-40

1250

25

400

1500

195

8-M10x25

172

145

40-55

12x3.3

145

32.59

CKF195x145-45

1250

25

400

1500

195

8-M10x25

172

145

40-55

12x3.3

145

32.21

CKF195x145-50

1250

25

400

1500

195

8-M10x25

172

145

40-55

12x3.3

145

31.78

CKF195x145-55

1250

25

400

1500

195

8-M10x25

172

145

40-55

12x3.3

145

31.31

CKF205x145-40

1400

26

400

1500

205

10-M10x25

182

145

40-55

12x3.3

145

36.61

CKF205x145-45

1400

26

400

1500

205

10-M10x25

182

145

40-55

12x3.3

145

35.78

CKF205x145-50

1400

26

400

1500

205

10-M10x25

182

145

40-55

12x3.3

145

35.34

CKF205x145-55

1600

26

400

1500

205

10-M10x25

182

145

55

16x4.3

145

34.18

CKF208x150-45

1600

27

400

1500

208

10-M10x25

185

150

45-60

14x3.8

150

38.16

CKF208x150-48

1600

27

400

1500

208

10-M10x25

185

150

45-60

14x3.8

150

37.9

CKF208x150-50

1600

27

400

1500

208

10-M10x25

185

150

45-60

14x3.8

150

37.72

CKF208x150-55

1600

27

400

1500

208

10-M10x25

185

150

45-60

14x3.8

150

37.24

CKF208x150-60

1600

27

400

1500

208

10-M10x25

185

150

45-60

14x3.8

150

36.71

CKF220x150-50

2000

30

400

1500

220

10-M10x25

195

150

50-65

14x3.8

150

42.48

CKF220x150-55

2000

30

400

1500

220

10-M10x25

195

150

50-65

14x3.8

150

41.99

CKF220x150-60

2000

30

400

1500

220

10-M10x25

195

150

50-65

14x3.8

150

41.46

CKF220x150-65

2000

30

400

1500

220

10-M10x25

195

150

50-65

14x3.8

150

40.88

CKF230x150-50

2500

32

390

1500

230

12-M10x25

205

150

50-70

14x3.8

150

46.65

CKF230x150-55

2500

32

390

1500

230

12-M10x25

205

150

50-70

14x3.8

150

46.16

CKF230x150-60

2500

32

390

1500

230

12-M10x25

205

150

50-70

14x3.8

150

45.63

CKF230x150-65

2500

32

390

1500

230

12-M10x25

205

150

50-70

14x3.8

150

45.05

CKF230x150-70

2500

32

390

1500

230

12-M10x25

205

150

50-70

14x3.8

150

44.42

CKF245x160-60

4000

52

380

1500

245

12-M12x25

218

160

60-80

18x4.4

160

55.7

CKF245x160-65

4000

52

380

1500

245

12-M12x25

218

160

60-80

18x4.4

160

55.19

CKF245x160-70

4000

52

380

1500

245

12-M12x25

218

160

60-80

18x4.4

160

54.42

CKF245x160-75

4000

52

380

1500

245

12-M12x25

218

160

60-80

18x4.4

160

53.70

CKF245x160-80

4000

52

380

1500

245

12-M12x25

218

160

60-80

18x4.4

160

52.93

CKF260x160-70

6300

95

370

1500

260

12-M14x25

230

160

70-90

20x4.9

160

61.90

CKF260x160-75

6300

95

370

1500

260

12-M14x25

230

160

70-90

20x4.9

160

61.18

CKF260x160-80

6300

95

370

1500

260

12-M14x25

230

160

70-90

20x4.9

160

60.42

CKF260x160-85

6300

95

370

1500

260

12-M14x25

230

160

70-90

20x4.9

160

59.60

CKF260x160-90

6300

95

370

1500

260

12-M14x25

230

160

70-90

20x4.9

160

58.74

CKF275x170-80

8000

110

370

1500

275

12-M14x25

245

170

80

22x5.4

170

72.61

CKF275x170-85

8000

110

370

1500

275

12-M14x25

245

170

85-100

22x5.4

170

71.75

CKF275x170-90

8000

110

370

1500

275

12-M14x25

245

170

85-100

22x5.4

170

70.83

CKF275x170-95

8000

110

370

1500

275

12-M14x25

245

170

85-100

22x5.4

170

69.86

CKF275x170-100

8000

110

370

1500

275

12-M14x25

245

170

85-100

22x5.4

170

68.83

CKF295x185-90

10000

140

370

1500

295

12-M16x30

260

185

90-110

25x5.4

185

90.09

CKF295x185-95

10000

140

370

1500

295

12-M16x30

260

185

90-110

25x5.4

185

89.03

CKF295x185-100

10000

140

370

1500

295

12-M16x30

260

185

90-110

25x5.4

185

87.92

CKF295x185-110

10000

140

370

1500

295

12-M16x30

260

185

90-110

25x5.4

185

85.46

CKF330x200-100

12500

170

350

1500

330

12-M16x30

295

200

100-130

28x6.4

200

121.95

CKF330x200-110

12500

170

350

1500

330

12-M16x30

295

200

100-130

28x6.4

200

119.36

CKF330x200-120

12500

170

350

1500

330

12-M16x30

295

200

100-130

28x6.4

200

116.53

CKF330x200-130

12500

170

350

1500

330

12-M16x30

295

200

100-130

28x6.4

200

113..44

CKF360x215-110

16000

215

350

1500

360

12-M18x30

320

215

110-140

28x6.4

215

155.75

CKF360x215-120

16000

215

350

1500

360

12-M18x30

320

215

110-140

28x6.4

215

152.7

CKF360x215-130

16000

215

350

1500

360

12-M18x30

320

215

110-140

28x6.4

215

149.39

CKF360x215-140

16000

215

350

1500

360

12-M18x30

320

215

110-140

28x6.4

215

145.81

CKF410x225-120

20000

230

350

1500

410

16-M20x30

360

225

120-150

32x7.4

225

213.21

CKF410x225-130

20000

230

350

1500

410

16-M20x30

360

225

120-150

32x7.4

225

209.75

CKF410x225-140

20000

230

350

1500

410

16-M20x30

360

225

120-150

32x7.4

225

206

CKF410x225-150

20000

230

350

1500

410

16-M20x30

360

225

120-150

32x7.4

225

201.98

CKF440x235-130

25000

240

310

1000

440

16-M20x30

390

235

130-160

32x7.4

235

256.01

CKF440x235-140

25000

240

310

1000

440

16-M20x30

390

235

130-160

32x7.4

235

252.1

CKF440x235-150

25000

240

310

1000

440

16-M20x30

390

235

130-160

32x7.4

235

247.9

CKF440x235-160

25000

240

310

1000

440

16-M20x30

390

235

130-160

32x7.4

235

243.41

根据用户需要,可做其它类型的超越离合器。
 
返回上一页
  |  首   页  |  技术支持  |  文档下载  |  企业新闻  |  代理品牌  |  联络我们  |  
销售助理   销售助理 CopyRight 2005 NINETOWNS 沈阳光宇科技有限公司 All Right Reserved.
Please read our
www.31992640.com
电话:
024-31992640    传真:024-31992740   Email:xugy@tom.com
地址:
辽宁省沈阳市沈河区长青街45号306室     邮编:110015
网站备案号:辽ICP备11006204号-1

 
销售助理   销售助理