您所在的位置  技术支持 》 关节轴承篇 》 韩国JMC关节轴承 》NUKR型

返回上一页

 
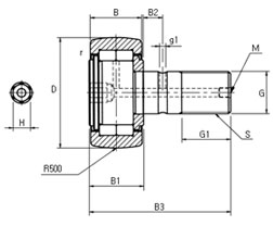
螺栓径
G mm
名称代码
质量
gr.
主要尺寸 mm
最小安
装尺寸
f
mm
基本额定
动负荷
C/kgf
基本额定
静负荷
Co/Kgf
关于允许
转数
rpm
H
D
螺丝 S
B
B1
B3
M
g1
G1
B2
r
16
NUKR35R
177
6
35
M16X1.5
18
19.5
52
M6X1
3
17
8
0.6
21
2,350
2,760
6,500
18
NUKR40R
258
6
40
M18X1.5
20
21.5
58
M6X1
3
19
8
1.0
23
2,530
3,160
5,500
20
NUKR47R
400
8
47
M20X1.5
24
25.5
66
M6X1
4
21
9
1.0
27
3,980
5,100
4,200
20
NUKR52R
470
8
52
M20X1.5
24
25.5
66
M6X1
4
21
9
1.0
31
4,440
6,120
3,400
24
NUKR62R
824
8
62
M24X1.5
29
30.5
80
M6X1
4
25
11
1.0
38
6,020
8,060
2,600
24
NUKR72R
1,050
8
72
M24X1.5
29
30.5
80
M6X1
4
25
11
1.1
44
6,630
9,490
2,100
30
NUKR80R
1,670
8
80
M30X1.5
35
37
100
M6X1
4
32
15
1.1
47
9,690
13,570
1,800
30
NUKR90R
2,020
8
90
M30X1.5
35
37
100
M6X1
4
32
15
1.1
47
9,690
13,570
1,800
 
返回上一页
  |  首   页  |  技术支持  |  文档下载  |  企业新闻  |  代理品牌  |  联络我们  |  
销售助理   销售助理 CopyRight 2005 NINETOWNS 沈阳光宇科技有限公司 All Right Reserved.
Please read our
www.31992640.com
电话:
024-31992640    传真:024-31992740   Email:xugy@tom.com
地址:
辽宁省沈阳市沈河区长青街45号306室     邮编:110015
网站备案号:辽ICP备11006204号-1

 
销售助理   销售助理