您所在的位置  技术支持 》 带座轴承篇 》 UKP200系列
返回上一页

 
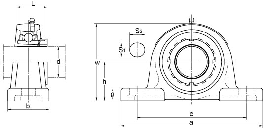
型号
轴径
d
mm
轴承型号
基本尺寸
mm
螺栓尺寸
mm
座型号
质量
kg
h
a
e
b
s1
s2
g
w
L
UKP205
20
UK205
36.5
140
105
38
13
19
13
71
29
M10
P205
0.8
UKP206
25
UK206
42.9
165
121
48
17
21
15
84
31
M14
P206
1.3
UKP207
30
UK207
47.6
167
127
48
17
21
16
93
35
M14
P207
1.5
UKP208
35
UK208
49.2
184
137
54
17
21
17
98
36
M14
P208
2
UKP209
40
UK209
54
190
146
54
17
21
17
106
39
M14
P209
2.3
UKP210
45
UK210
57.2
206
159
60
20
22
19
113
42
M16
P210
3
UKP211
50
UK211
63.5
219
171
60
20
22
19
125
45
M16
P211
3.6
UKP212
55
UK212
69.8
241
184
70
20
25
22
138
47
M16
P212
4.8
UKP213
60
UK213
76.2
265
203
70
25
30
25
150
50
M20
P213
5.9
UKP215
65
UK215
82.6
275
217
74
25
30
28
162
55
M20
P215
7.7
UKP216
70
UK216
88.9
292
232
78
25
35
32
174
59
M20
P216
9.2
UKP217
75
UK217
95.2
310
247
83
25
40
32
185
63
M20
P217
11
UKP218
80
UK218
101.6
327
262
88
27
45
34
198
65
M22
P218
13.9
 
返回上一页
  |  首   页  |  技术支持  |  文档下载  |  企业新闻  |  代理品牌  |  联络我们  |  
销售助理   销售助理 CopyRight 2005 NINETOWNS 沈阳光宇科技有限公司 All Right Reserved.
Please read our
www.31992640.com
电话:
024-31992640    传真:024-31992740   Email:xugy@tom.com
地址:
辽宁省沈阳市沈河区长青街45号306室     邮编:110015
网站备案号:辽ICP备11006204号-1

 
销售助理   销售助理