您所在的位置  技术支持 》 同步带轮  》 锥孔 TL-L050(9.525mm)

返回上一页


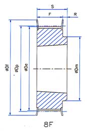
型号
齿数
结构
材料
锥孔号
DP
De
Df
Dm
Di
F
s
r
挡板号
TL18L050
18
8F
STEEL
1108
54.57
53.81
60
45
19
22
3
58
TL19L050
19
8F
STEEL
1108
57.61
56.84
64
45
19
22
3
59
TL20L050
20
8F
STEEL
1108
60.64
59.88
66.5
48
19
22
3
60
TL21L050
21
8F
STEEL
1108
63.67
62.91
70
48
19
22
3
61
TL22L050
22
8F
STEEL
1108
66.7
65.94
75
51
19
22
3
62
TL23L050
23
8F
STEEL
1108
69.73
68.97
79
54
19
22
3
63
TL24L050
24
8F
STEEL
1108
72.77
72
79
54
19
22
3
63
TL25L050
25
8F
STEEL
1108
75.8
75.04
82.5
56
19
22
3
64
TL26L050
26
8F
STEEL
1108
78.83
78.07
86
60
19
22
3
65
TL27L050
27
8F
STEEL
1108
81.86
81.1
86
62
19
22
3
65
TL28L050
28
8F
STEEL
1108
84.89
84.13
91
65
19
22
3
66
TL30L050
30
8F
STEEL
1108
90.96
90.2
97
70
19
22
3
68
TL32L050
32
8F
STEEL
1108
97.02
96.26
102
74
19
22
3
70
TL36L050
36
8F
STEEL
1108
109.15
108.39
115
85
19
22
3
74
TL40L050
40
8F
STEEL
1610
121.28
120.51
128
88
19
25
3
78
TL44L050
44
8WF
STEEL
1610
133.4
132.64
142
88
110
19
25
3
81
TL48L050
48
8WF
STEEL
1610
145.53
144.77
150
88
120
19
25
3
85
TL60L050
60
7W
STEEL
1610
181.91
181.15
92
166
19
25
3
TL72L050
72
7A
CAST IRON
1610
218.3
217.53
92
202
19
25
3
TL84L050
84
7A
CAST IRON
1610
254.68
253.9
92
236
19
25
3
TL96L050
96
7A
CAST IRON
2012
291.06
290.3
106
270
19
32
6.5
TL120L050
120
7A
CAST IRON
2012
363.83
363.07
106
343
19
32
6.5
      材质:AL:铝;CAST IRON:铸铁;STEEL:铁
 
返回上一页
  |  首   页  |  技术支持  |  文档下载  |  企业新闻  |  代理品牌  |  联络我们  |  
销售助理   销售助理 CopyRight 2005 NINETOWNS 沈阳光宇科技有限公司 All Right Reserved.
Please read our
www.31992640.com
电话:
024-31992640    传真:024-31992740   Email:xugy@tom.com
地址:
辽宁省沈阳市沈河区长青街45号306室     邮编:110015
网站备案号:辽ICP备11006204号-1

 
销售助理   销售助理