您所在的位置   技术支持 》 减速电机篇 》 台湾阪神系列 》GH-B系列(附刹车)


GH-B  卧式三相、单项 附刹车
出轴直径
功率 (W)
单项 三项
型号
减速比
重量
规格尺寸
DWG文档下载
18
100
三项
GH-18-100-5~60SM R:5,10,15,20
L:25,30,40,50,60
8.8kg/0.4
单项
GH-18-100-5~60AM
9.1kg/0.4'
200
三项
GH-18-200-5~25SM R:5,10,15,20
L:25
9.6kg/0.4'
单项
GH-18-200-5~25AM
10/0.4'

22

100
三项
GH-22-100-60~200SM L:60,80,100,120,160,200
10kg/0.6'
单项
GH-22-100-60~200AM
10.1kg/0.6'
200
三项
GH-22-200-30~100SM L:30,40,50,60,80,100
11kg/0.6'
 
 
单项
GH-22-200-30~100AM
10.1/0.6'
400
三项
GH-22-400-5-25SM R:5,10,15
L:20,25
14.5kg/0.6'
28
100
三项
GH-28-100-300~450SM R:300,375,450
16kg/0.8'
单项
GH-28-100-300~450AM
16.1kg/0.8'
200
三项
GH-28-200-100~200SM L:100,120,160,200
15.5kg/0.8'
单项
GH-28-200-100~200AM
15/0.8'
400
三项
GH-28-400-30~100SM L:30,40,50,60,80,100
17.3kg/0,8'
750
三项
GH-28-750-5~25SM R:5,10,15,20
L:25
18kg/0.8'
32
100
三项
GH-32-100-600~1200SM R:600,750,900,1200
27kg/1.2'
单项
GH-32-100-600~1200AM
27.1/1.2'
200
三项
GH-32-200-300~450SM R:300,375,450
28kg/1.2'
单项
GH-32-200-300~450AM
27.3/1.2'
400
三项
GH-32-400-100~200SM L:100,120,160,200
25.5/1.2'
750
三项
GH-32-750-30~100SM L:30,40,50,60,80,100
30.5kg/1.2'
1500
三项
GH-32-1500-5~25SM R:5,10,15,20
L:25
39.6kg/1.2'
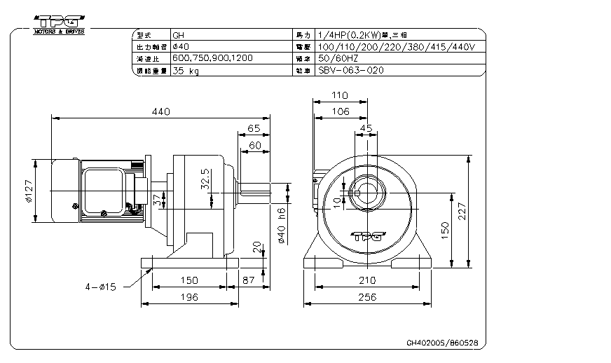
40
200
三项
GH-40-200-60~1200SM R:600,750,900,1200
32.7kg/1.6'
单项
GH-40-200-60~1200AM
32kg/1.6'
400
三项
GH-40-400-300~450SM R:300,375,450
38.5kg/1.6'
750
三项
GH-40-750-100~200SM L:100,120,160,200
37kg/1.6'
1500
三项
GH-40-1500-30~100SM L:30,40,50,60,80,100
48kg/1.6'
2200
三项
GH-40-2200-5~25SM R:5,10,15,20
L:25
47.2kg/1.6'
50
400
三项
GH-50-400-600~1200SM R:600,750,900,1200
54.9kg/2.13'
 
750
三项
GH-50-750-300~450SM R:300,375,450
58kg/2.13'
1500
三项
GH-50-1500-100~200SM L:100,120,160,200
62.1kg/2.13'
2200
三项
GH-50-2200-30-100SM L:30,40,50,60,80,100
64.6kg/2.13'
56
750
三项
GH-56-750-600~1200SM R:600,750,900,1200
125kg/2.5'
 
 
1500
三项
GH-56-1500-300~450SM R:300,375,450
130kg/2.5'
 
 
2200
三项
GH-56-2200-100-200SM L:100,120,160,200
135kg/2.5'
 
 
63
1500
三项
GH-63-1500-600~1200SM R:600,750,900,1200
150kg/3.7'
 
 
2200
三项
GH-63-2200-300~450SM R:300,375,450
155kg/3.7'
 
 
返回上一页
  |  首   页  |  技术支持  |  文档下载  |  企业新闻  |  代理品牌  |  联络我们  |  
销售助理   销售助理 CopyRight 2005 NINETOWNS 沈阳光宇科技有限公司 All Right Reserved.
Please read our
www.31992640.com
电话:
024-31992640    传真:024-31992740   Email:xugy@tom.com
地址:
辽宁省沈阳市沈河区长青街45号306室     邮编:110015
网站备案号:辽ICP备11006204号-1

 
销售助理   销售助理