您所在的位置   技术支持 》 减速电机篇 》 台湾阪神系列 》GV系列


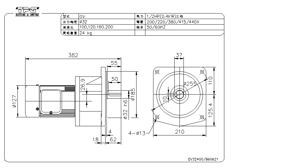
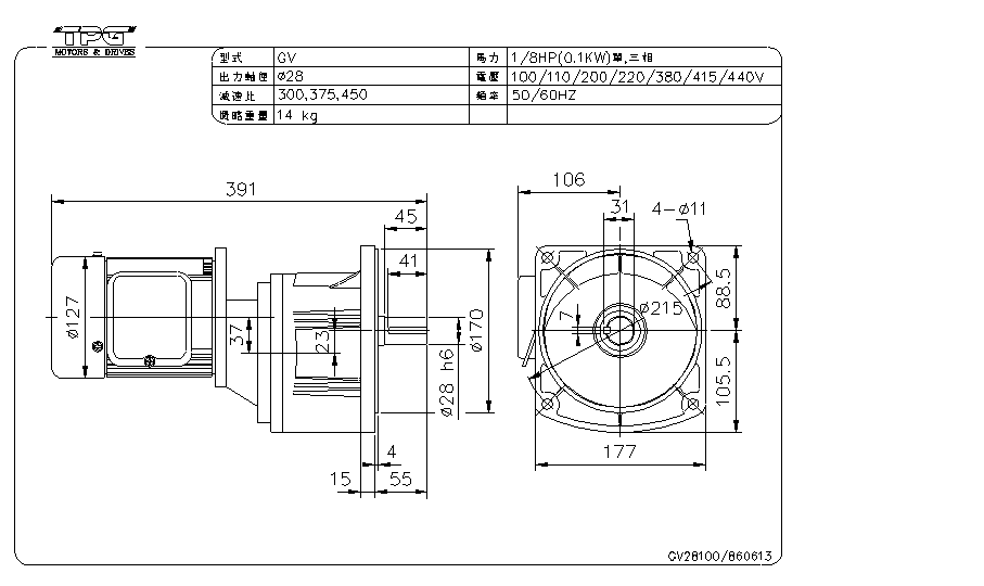
GV  (立式三相、单项)
出轴直径
功率(W)
单项三项
型号
减速比
重量
规格尺寸
DWG文档下载
18
100
三项
GV-18-100-5~60S R:5,10,15,20
L:25,30,40,50,60
7.3kg/0.4'
单项
GV-18-100-5~60A
7.4kg/0.4'
200
三项
GV-18-200-5~25S R:5,10,15,20
L:25
7.6kg/0.4'
单项
GV-18-200-5~25A
8kg/0.4'

22

100
三项
GV-22-100-60~200S L:60,80,100,120,160,200
9kg/0.6'
单项
GV-22-100-60~200A
9.1kg/0.6'
200
三项
GV-22-200-30~100S L:30,40,50,60,80,100
11kg/0.6'
单项
GV-22-200-30~100A
11.4kg/0.6'
400
三项
GV-22-400-5~25S R:5,10,15
L:20,25
12.5kg/0.6'
单项
GV-22-400-5~25A
13.3kg/0.6'
   
28
100
三项
GV-28-100-300~450S R:300,375,450
15.2kg/0.8'
单项
GV-28-100-300~450A
15.2kg/0.8'
200
三项
GV-28-200-100-200S L:100,120,160,200
14.7kg/0.8'
   
   
单项
GV-28-200-100-200A
15.1kg/0.8'
       
400
三项
GV-28-400-30~100S L:30,40,50,60,80,100
18.2kg/0.8'
单项
GV-28-400-30~100A
19kg/0.8'
   
750
三项
GV-28-750-5~25S

R:5,10,15,20
L:25

17.7kg/0.8'
单项
GV-28-750-5~25A
26.3kg/0.8'
32
100
三项
GV-32-100-600~1200S R:600,750,900,1200
26.7kg/1.2'
单项
GV-32-100-600~1200A
26.7kg/1.2'
200
三项
GV-32-200-300~450S R:300,375,450
27.9kg/1.2'
单项
GV-32-200-300~450A
28.3kg/1.2'
400
三项
GV-32-400-100~200S L:100,120,160,200
28.6kg/1.2'
单项
GV-32-400-100~200A
29.4kg/1.2'
   
750
三项
GV-32-750-30~100S L:30,40,50,60,80,100
29.5kg/1.2'
单项
GV-32-750-30~100A
32.1kg/1.2'
1500
三项
GV-32-1500-5~25S R:5,10,15,20
L:25
35.1kg/1.2'
单项
GV-32-1500-5~25A 43.2kg/1.2'      
40
200
三项
GV-40-200-600~1200S R:600,750,900,1200
36.2kg/2.13'
单项
GV-40-200-600~1200A
36.6kg/2.13'
400
三项
GV-40-400-300~450S R:300,375,450
42kg/2.13'
单项
GV-40-400-300~450A
42.8kg/2.13'
   
750
三项
GV-40-750-100~200S L:100,120,160,200
39kg/2.13'
单项
GV-40-750-100~200A
41.6kg/2.13'
1500
三项
GV-40-1500-30~100S L:30,40,50,60,80,100
39kg/2.13'
单项
GV-40-1500-30~100A
52.8kg/2.13'
   
2200
三项
GV-40-2200-5~25S R:5,10,15,20
L:25
48kg/2.13'
50
400
三项
GV-50-400-600~1200S R:600,750,900,1200
69.4kg/2.7'
单项
GV-50-400-600~1200A
70.2kg/2.7'
   
750
三项
GV-50-750-300~450S R:300,375,450
73kg/2.7'
单项
GV-50-750-300~450A
75.6kg/2.7'
1500
三项
GV-50-1500-100~200S L:100,120,160,200
57.6kg/2.7'
单项
GV-50-1500-100~200A
81.6kg/2.7'
   
2200
三项
GV-50-2200-30~100S L:30,40,50,60,80,100
77kg/2.7'
4000
三项
GV-50-4000-5~25S R:5,10,15,20,25
87kg/2.7'
 
 
56
750
三项
GV-56-750-600~1200S R:600,750,900,1200
130kg/3'
 
 
单项
GV-56-750-600~1200A
135kg/3'
   
1500
三项
GV-56-1500-300~450S R:300,375,450
125kg/3'
   
单项
GV-56-1500-300~450A
140kg/3'
   
2200
三项
GV-56-2200-100~200S L:100,120,160,200
140kg/3'
   
4000
三项
GV-56-4000-30~100S L:30,40,50,60,80,100
150kg/3'
   
5500
三项
GV-56-5500-5~25S R:5,10,15,20,25
160kg/3'
   
63
1500
三项
GV-63-1500-600~1200S R:600,750,900,1200
145kg/4'
   
单项
GV-63-1500-600~1200A
160kg/4'
   
2200
三项
GV-63-2200-300-450S R:300,375,450
160kg/4'
   
4000
三项
GV-63-4000-100~200S L:100,120,160,200
170kg/4'
   
5500
三项
GV-63-5500-30~100S L:30,40,50,60,80,100
180kg/4'
   
7500
三项
GV-63-7500-5~25S R:5,10,15,20,25
190kg/4'
    
返回上一页
  |  首   页  |  技术支持  |  文档下载  |  企业新闻  |  代理品牌  |  联络我们  |  
销售助理   销售助理 CopyRight 2005 NINETOWNS 沈阳光宇科技有限公司 All Right Reserved.
Please read our
www.31992640.com
电话:
024-31992640    传真:024-31992740   Email:xugy@tom.com
地址:
辽宁省沈阳市沈河区长青街45号306室     邮编:110015
网站备案号:辽ICP备11006204号-1

 
销售助理   销售助理