您所在的位置   技术支持 》 减速电机篇 》 台湾阪神系列 》WS系列


WS   系列
功率(W)
型号
减速比
重量
规格尺寸
DWG文档下载
100
WS-030-010-010-080-56B5 10,15,20,25,30,40,50.60,80
1.2kg/0.07'
WS-030-010-010-080-56B14 10,15,20,25,30,40,50.60,80
1.2kg/0.07'
WS-040-010-050-100-56B5 50,60,80,100
2.3kg/0.16'
200
WS-030-020-010-050-63B5 10,15,20,25,30,40,50
1.2kg/0.07'
WS-030-020-010-050-63B14 10,15,20,25,30,40,50
1.2kg/0.07'
WS-040-020-010-100-63B5 10,15,20,25,30,40,50
1.2kg/0.07'
WS-040-020-010-100-63B14 10,15,20,25,30,40,50
1.2kg/0.07'
WS-050-020-040-100-56B5 40,50,60,80,100
3.5kg/0.27'
400
WS-040-040-010-040-71B5 10,15,20,25,30,40
2.3kg/0.16'
WS-040-040-010-040-71B14 10,15,20,25,30,40
2.3kg/0.16'
WS-050-040-010-080-71B5 10,15,20,25,30,40,50,60,80
3.5kg/0.27'
WS-050-040-010-080-71B14 10,15,20,25,30,40,50,60,80
3.5kg/0.27'
WS-063-040-040-100-71B5 40,50,60,80,100
6.2kg/0.37'
WS-063-040-040-100-71B14 40,50,60,80,100
6.2kg/0.37'
WS-075-040-050-100-71B5 50,60,80,100
9kg/0.78'
750
WS-050-075-010-030-80B5 10,15,20,25,30
3.5kg/0.27'
WS-050-075-010-030-80B14 10,15,20,25,30
3.5kg/0.27'
WS-063-075-010-060-80B5 10,15,20,25,30,40,50,60
6.2kg/0.37'
WS-063-075-010-060-80B14 10,15,20,25,30,40,50,60
6.2kg/0.37'
WS-075-075-020-100-80B5 20,25,30,40,50,60,80,100
9kg/0.78'
WS-075-075-020-100-80B14 20,25,30,40,50,60,80,100
9kg/0.78'
1500
WS-063-150-010-030-90B5 10,15,20,25,30
6.2kg/0.37'
WS-063-150-010-030-90B14 10,15,20,25,30
6.2kg/0.37'
WS-075-150-010-040-90B5 10,15,20,25,30,40
9kg/0.78'
WS-075-150-010-040-90B14 10,15,20,25,30,40
9kg/0.78'
2200
WS-075-220-101-015-100B5 10,15
9kg/0.78'
WS-075-220-101-015-100B14 10,15
9kg/0.78'
 
型号
减速比
重量
规格尺寸
DWG文档下载
WS-030-010-080-48C 10,15,20,25,30,40,50.60,80
1.2kg/0.07'
WS-040-010-100-56C 10,15,20,25,30,40,50.60,80,100
2.3kg/0.16'
WS-050-010-100-56C 10,15,20,25,30,40,50.60,80,100
3.5kg/0.27'
WS-063-080-100-56C 80,100
6.2kg/0.37'
WS-063-010-060-140TC 10,15,20,25,30,40,50,60
6.2kg/0.37'
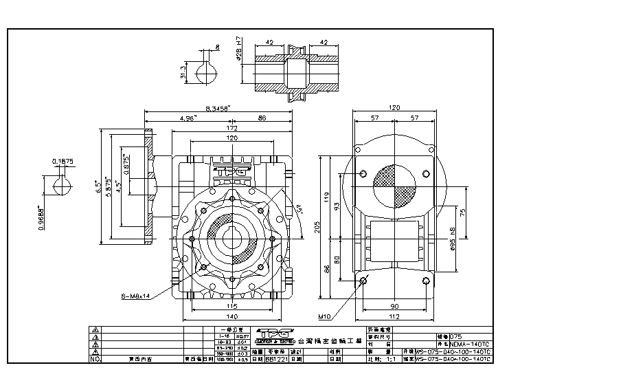
WS-075-040-100-140TC 40,50.60,80,100
9kg/0.78'
WS-075-010-030-180TC 10,15,20,25,30
9kg/0.78'
 
返回上一页
  |  首   页  |  技术支持  |  文档下载  |  企业新闻  |  代理品牌  |  联络我们  |  
销售助理   销售助理 CopyRight 2005 NINETOWNS 沈阳光宇科技有限公司 All Right Reserved.
Please read our
www.31992640.com
电话:
024-31992640    传真:024-31992740   Email:xugy@tom.com
地址:
辽宁省沈阳市沈河区长青街45号306室     邮编:110015
网站备案号:辽ICP备11006204号-1

 
销售助理   销售助理